BRAND X-15R adalah ampli gitar buatan FENDER yang tergolong ampli mini karena menggunakan IC TDA2050 sebagai power amplifier.

Tegangan yang terpakai untuk power ampli adalah simetris 22VDC.

INFO

Ampli mini ini telah ada tambahan rangkaian effek gitar walau terasa ringan secara rangkaian.

tersedia soket output SEND dan soket input RETURN untuk tambahan apabila sang musisi ingin menambahkan effek gitar dari luar.

Penampakan ampli adalah seperti berikut ini:

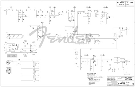
SKEMA

Berikut ini adalah skema hasil edit dan pangkasan

Skema Ampli gitar Fender Brand X-15R

PENJELASAN

X

Kiriman serupa

Tinggalkan Balasan

Alamat email Anda tidak akan dipublikasikan. Ruas yang wajib ditandai *