SAMICK CABANG INDONESIA DI CILEUNGSI SEJAK 1992

SAMICK adalah produsen audio dari negeri ginseng, Korea Selatan yang didirikan sekitar 1958 lalu yang mulai tren di Indonesia sekitar era 90-an. Menurut Wiki, Samick mulai membuka cabang di Indonesia sekitar 1992 di daerah Cileungsi. Saya sendiri baru mendengar Samick pada tahun 1995 ketika masih di bangku Sekolah Menengah Kejuruan.

Web official SAMICK lihat DISINI.

Keluyuran di internet, saya menemukan sebuah skema power ampli buatan SAMICK dengan kode SMP4000. Ampli ini konon adalah ampli 200W stereo atau 2x 200Watt pada spiker 4 Ohm.

smp4000
SAMICK SMP4000

SKEMA POWER MODUL 200WATT

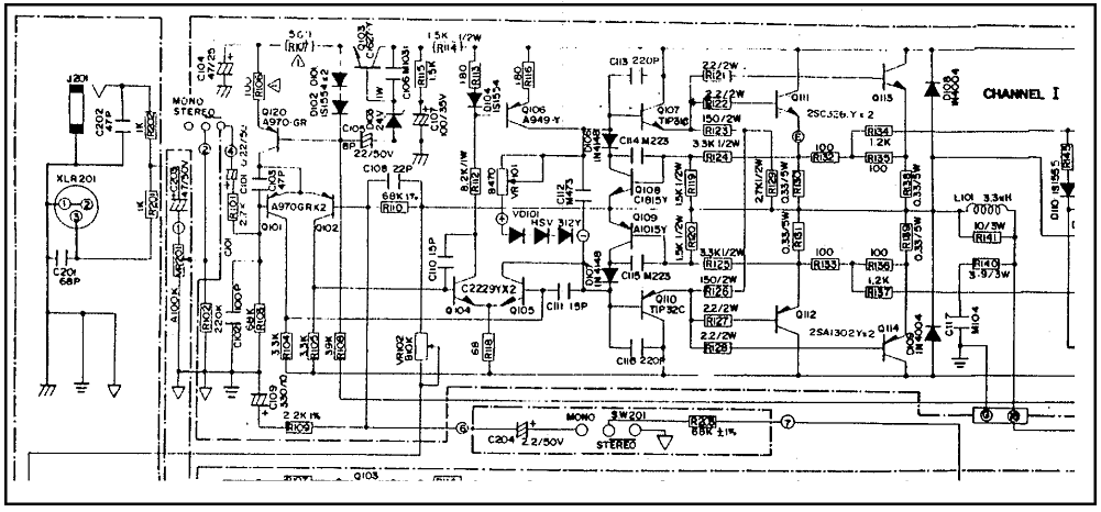
Karena penasaran dengan isi dalamnya, maka saya coba melihat skema nya. Wah ternyata skemanya agak blur gimana-gitu. Berikut potongan skema Power Amplifier- aslinya.

samick SMP4000
KLIK UNTUK MEMPERBESAR

Kalau kita lihat nampak skema aslinya agak sulit untuk diteliti untuk dipelajari, akhirnya saya coba transformasi ke skema standart orang hobyist elektronika menjadi seperti dibawah ini:

SKEMA SAMICK SMP4000 VERSI YOHANINDRAWIJAYA.COM
KLIK UNTUK MEMPERBESAR

Jika kita perhatikan, maka skema power ampli ini menggunakan 2 pasang transistor Final nomer C3281 dan A1302 dengan kemampuan maksimum sekitar 200V ( V CE) / 15A( I CE) / 150W ( P dc).

Driver transistor menggunakan sepasang transistor TIP31C dan TIP32C. Daya maksimum sekitar 40Watt.

Kiriman serupa

Tinggalkan Balasan

Alamat email Anda tidak akan dipublikasikan. Ruas yang wajib ditandai *